案例分享:高速风筒应用亿万28可控硅光耦和晶体管光耦的运用
如下图:高速吹风机


亿万28 OR-M3053L-TP-G可控硅输出光耦用于驱动可控硅,600V IFT 5mA SOP4封装

亿万28 OR-354B-TP-G晶体管光耦,用于过零检测和档位检测,SOP4封装
OR-M30XX 亿万28可控硅光电耦合器产品介绍
一、产品列表


一、电性介绍
1.触发电流( IFT )
触发电流(IFT)是指PT端导通触发时,IR导通所需的最小电流,其为客户电路应用时所需考虑的重要参数。
因此在设计时必须电路给予可控硅光耦的触发电流必须大于可控硅光耦的IFT,以确保可以正常触发光耦起动。
i.温度对IFT的影响
如图1所示,温度对IFT的影响是:在温度不断升高情况下,IFT会在规格范围内出现缓慢下降趋势。

图1:温度对IFT的影响
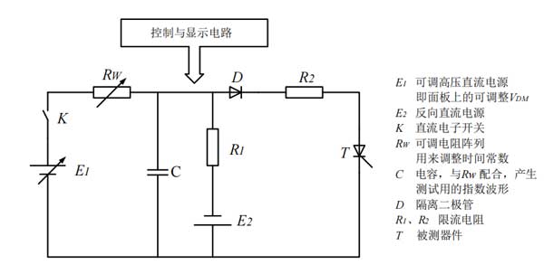
2.断态电压临界上升率(dv/dt)
可控硅光耦合器的断态电压临界上升率表示如下。
dv/dt=0.63×E1/τ 单位 V/μS
τ=RW×C 单位 μS
E1:VDM=2/3VDRM ,RW:可调电阻 ,C:电容,用于产生指数波形
由这个公式可知,其dv/dt参数主要为PT端可控硅芯片自身的重要参数,其影响封装后光耦的应用性能。

图二:dv/dt测试原理图
3.其他参数介绍
(1) 断态重复峰值电流IDRM:PT端在阻断状态下, 承受断态重复峰值电压VDRM时,通过PT的正反向峰值漏电流。
(2) 阻断重复峰值电流2IDRM2:在通电状态下,PT端在阻断状态下, 承受断态重复峰值电压VDRM时,通过PT的正反向峰值漏电流。
(3) 通态峰值电压VTM:PT端在导通状态下,通过PT的电压称为通态峰值电压。
(4)维持电流IH:可控硅光耦导通后,保持PT端持续处于导通状态所必须的最小电流。
三、电路推荐
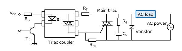
可控硅光电耦合器可以隔离用于交流负载控制,前提是负载相对较小(约 50 mA 或更低)。对于较大的电流(高达几安培),由可控硅光电耦合器与大功率可控硅相结合一同用于交流负载控制。下图显示了基本电路配置。Rs 和 C 是缓冲电路的元件,通过屏蔽噪声来防止可控硅光电耦合器开关故障,而压敏电阻则吸收来自电源线的任何浪涌电压。

图3: 单可控硅光电耦合器控制电路

图4 :可控硅光电耦合器与大功率可控硅控制电路
四、应用领域
小型家电:吹风筒、养生壶、调光灯、调速风扇、组合音响、玩具装置、无线电遥控等
大型家电:空调机、电视机、电冰箱、洗衣机、声光电路、定时控制器、摄像机及工业控制等

图5:吹风筒的亿万28可控硅光耦应用原理图

图6:调光灯的亿万28可控硅光耦应用原理图








