IF = 5 mA 时的开路电压,TYP为 7 V IF = 5 mA 时的短路电流,TYP为 7 μA
高输入输出隔离电压 ( Viso = 3,750Vrms )
工作温度范围宽,-40°C至100°C。
安全认证:UL,VDE,CQC,CE
符合 RoHS、REACH 标准 MSL I 级。
IF = 5 mA 时的开路电压,TYP为 7 V IF = 5 mA 时的短路电流,TYP为 7 μA
高输入输出隔离电压 ( Viso = 3,750Vrms )
工作温度范围宽,-40°C至100°C。
安全认证:UL,VDE,CQC,CE
符合 RoHS、REACH 标准 MSL I 级。
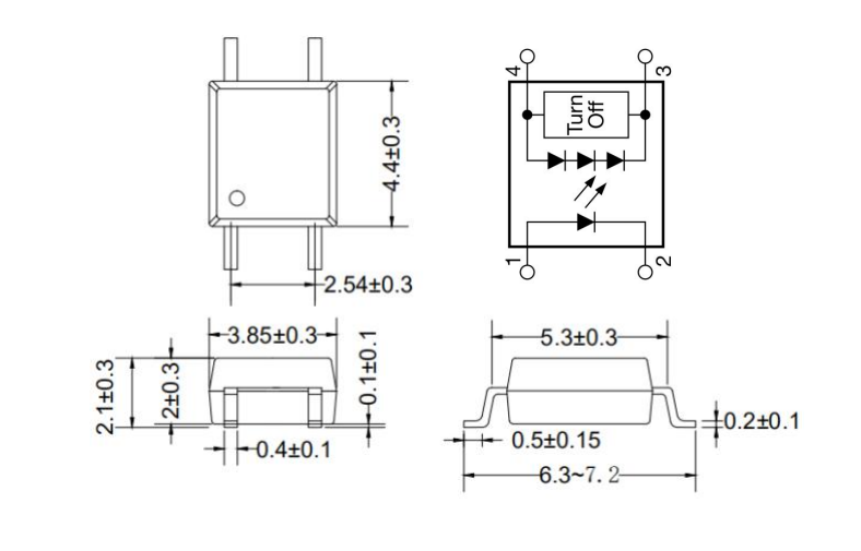
OR-357PVG是一款独立的光隔离MOSFET驱动器。
传统的MOSFET驱动器需要外部电源为驱动器本身提供VCC和/或VDD电源轨,而OR-357PVG则从隔离栅低压初级侧的LED电流获得驱动其内部电路所需的所有电流。这为设计人员节省了与提供一个或多个外部电源相关的空间和成本。
OR-357PVG还在元件本身内部集成了一个关断电路,从而消除了对额外元件的需求,从而通过缩短关断时间来提高整体开关速度。这些特性与小型 SOP4 封装相结合,为设计人员提供了一种小尺寸、高度集成的栅极驱动器解决方案,适用于各种 MOSFET 驱动应用
高边驱动器
固态继电器
浮动电源
电源控制
数据采集
ATE
隔离式电磁阀驱动器
隔离式大电流继电器驱动器
隔离式高压继电器驱动器
