电流传输比(CTR : 最低 50% 在 IF = 5mA, VCE = 5V, Ta=25 °C)
宽工作温度范围 -55~125ºC
高集电极-发射极电压 (VCEO = 80V)
高输入输出隔离电压 ( Viso = 3750Vrms )
安全认证:UL,VDE,CQC,CE
符合 RoHS、REACH 标准 MSL I 级。
电流传输比(CTR : 最低 50% 在 IF = 5mA, VCE = 5V, Ta=25 °C)
宽工作温度范围 -55~125ºC
高集电极-发射极电压 (VCEO = 80V)
高输入输出隔离电压 ( Viso = 3750Vrms )
安全认证:UL,VDE,CQC,CE
符合 RoHS、REACH 标准 MSL I 级。
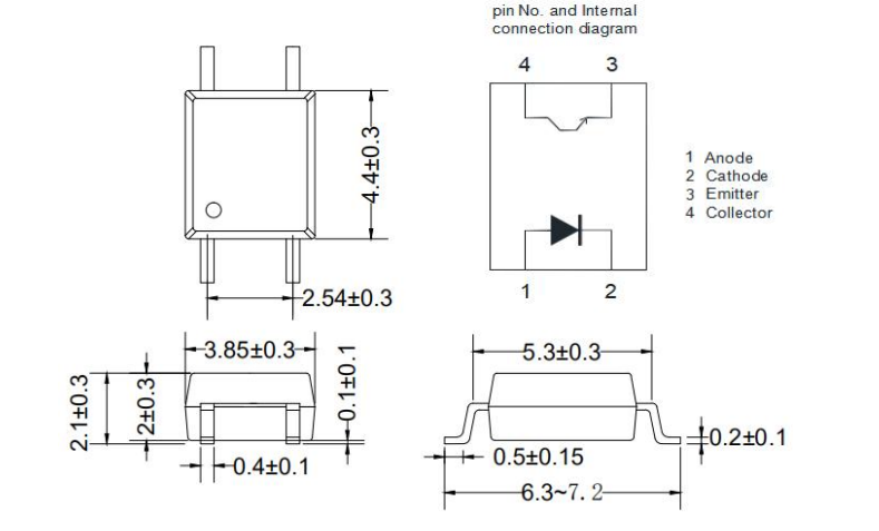
OR-357系列器件由两个红外发射二极管组成,反向并联,光学耦合到一个光电晶体管探测器
对标表
Avago | Onsemi/ | Toshiba | Omron | Vishay | Liteon | EL | Cosmo | sharp |
HCPL-181 | FODM121 | TLP185 | PS2701-1 | SFH690T | LTV-256T | EL357 | KPC357NT | PC357 |
家用电源
开关电路
连接器
电磁阀控制
电话机
交流电机驱动器
温度控制
信号传输器
