重复峰值关断状态电压800V。
负载电流0.3A,0.6A,0.9A或1.2A。
工作温度范围宽,-55°C至85°C。
高输入输出隔离电压 ( Viso = 5000Vrms )
安全认证:UL,VDE,CQC,CE
符合 RoHS、REACH 标准 MSL I 级。
重复峰值关断状态电压800V。
负载电流0.3A,0.6A,0.9A或1.2A。
工作温度范围宽,-55°C至85°C。
高输入输出隔离电压 ( Viso = 5000Vrms )
安全认证:UL,VDE,CQC,CE
符合 RoHS、REACH 标准 MSL I 级。
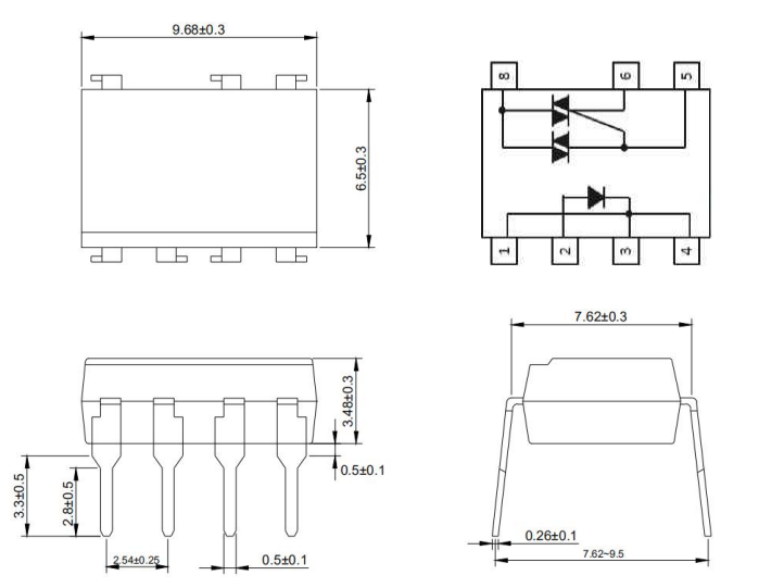
OR-X223系列器件均由一个砷化镓红外发射二极管组成,该二极管与一个单片硅无规相光电三端双向可控硅和一个主输出三端双向可控硅组成。它们设计用于在电子控制和负载之间接口,以控制 115 至 240 VAC 操作的电感。它们采用 8 引脚 DIP 封装,并提供表面贴装 SMD 选项
本系列有多种封装型号和不同参数系列具体参考规格书
对标表
Avago | COSMO | Toshiba | Panasonic | Renesa | Vishay | Liteon | EL | Omron |
AQH0223 | LTV-0223 | EL0223 |
交流电机驱动器
交流电机启动器
静态电源开关
照明控制
电磁阀/阀门控制
固态继电器
温度控制
工业控制
家用电器
